Jaguar Xf Seat Wiring Diagram Seat Wiring Power Jaguar Outside Help 2002 Working Forums
    	          Power seat wiring to make it work outside the car?. Power seat wiring to make it work outside the car?. S type? seat wiring for motor powering 
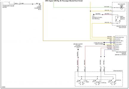
                              jaguar xf seat wiring diagram
                  Download PDF                      
  	     						  					  					  						  	  	  			  		   			  				I need the wiring diagram for the front seats of a 2003 xjr jaguar
  				
  
  									  													Jaguar wiring diagram xjs v12 loom injector.   						  													Jaguar xjs wiring diagram. Wiring seat problems jaguar xf upgrade advice need x351 switch. Need xjr jaguar wiring seats 2003 diagram   											
  							    		    			  												   						  							 
  						Cooled seats - Jaguar Forums - Jaguar Enthusiasts Forum
   					   									   						  							 
  						Jaguar XF air vent Problem - Jaguar Forums - Jaguar Enthusiasts Forum
   					   									   						  							 
  						2003 X type seat wiring question - Jaguar Forums - Jaguar Enthusiasts Forum
   					   									   						  							 
  						S type? Seat wiring for motor powering - Jaguar Forums - Jaguar
   					   									   						  							 
  						Jaguar XF air vent Problem - Jaguar Forums - Jaguar Enthusiasts Forum
   					   							  			  												  									  									  									  									  							  			  												  									  									  									  							  	   	
  		  	          					  				  			  			   
 
Komentar
Posting Komentar